首 页
产品中心
客服中心
新闻动态
关于我们
联系我们
产品中心
电池铁
> 电池铁
产品搜索
Prodcut Search
产品型号
产品类型
请选择
电池铁
总部:
总机:021-53083455
传真:021-53560060
E-mail:18621580091@163.com
在线客服:
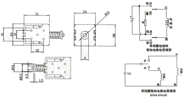
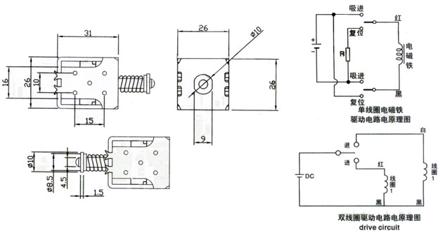
自保持电磁铁
下载
展开
收缩
盈伟科技在线客服
客服001
客服002
电话:021-53083455